防爆变径(d、e、tD)
产品特点
材质:H62、SS304、316
表面:镀镍、抛光
密封件:氯丁橡胶
防爆标志:Exd IIC Gb /Exe Gb /Ex tD A21IP66
阻燃等级:VO( UL94)
防护等级:IP66-10 巴压力(旋紧部件)
环境温度:静态-60℃至100℃短时120℃
动态-20℃至80℃短时100℃不含卤化物
环境场合:高温、恶劣

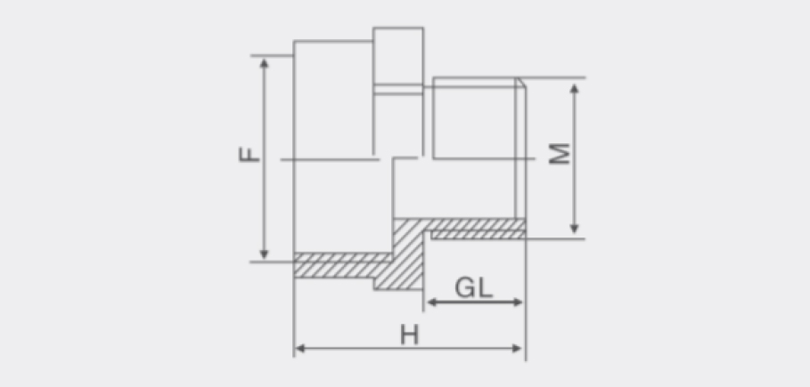
| 规格型号 | 螺纹尺寸 | 最大长度H | 螺纹长度GL | 对边 | |
| Spec. | 外螺纹 | 内螺纹 | mm | mm | mm |
| FRB.SZJ.01 | M12*1.5 | M16*1.5 | 32 | 14 | 19 |
| FRB.SZJ.02 | M16*1.5 | M18*1.5 | 32 | 14 | 22 |
| FRB.SZJ.03 | M16*1.5 | M20*1.5 | 32 | 14 | 24 |
| FRB.SZJ.04 | M18*1.5 | M20*1.5 | 32 | 14 | 24 |
| FRB.SZJ.05 | M20*1.5 | M24*1.5 | 33 | 15 | 27 |
| FRB.SZJ.06 | M20*1.5 | M25*1.5 | 33 | 15 | 29 |
| FRB.SZJ.07 | M24*1.5 | M30*1.5 | 33 | 15 | 34 |
| FRB.SZJ.08 | M24*1.5 | M32*1.5 | 33 | 15 | 36 |
| FRB.SZJ.09 | M25*1.5 | M30*1.5 | 33 | 15 | 34 |
| FRB.SZJ.10 | M25*1.5 | M32*1.5 | 33 | 15 | 36 |
| FRB.SZJ.11 | M30*1.5 | M40*1.5 | 36 | 15 | 45 |
| FRB.SZJ.12 | M32*1.5 | M40*1.5 | 36 | 15 | 45 |
| FRB.SZJ.13 | M40*1.5 | M50*1.5 | 36 | 15 | 55 |
| FRB.SZJ.14 | M50*1.5 | M60*1.5 | 40 | 15 | 65 |
| FRB.SZJ.15 | M50*1.5 | M63*1.5 | 40 | 15 | 68 |
| FRB.SZJ.16 | M63*1.5 | M75*1.5 | 41 | 15 | 80 |

全国服务热线




